Exchange the PCIe cable, CEC enclosure, Model 983

Before you begin

Icon for electrostatic discharge wrist strapUse approved ESD procedures to prevent damage.

Attention:
  • This procedure is not a stand-alone procedure. Customer disruption and damage to the hardware might occur when microcode and power boundaries are not in the proper conditions for this service action.
  • If a serviceable event FRU repair directed you to this procedure, the microcode and power boundaries are already set.
  • If a serviceable event FRU repair did not direct you to this procedure, see MAP1230 Replace a FRU without using a serviceable event.
Notes:
  • All the cables and FRUs to be removed must be uniquely identified so they can be reinstalled correctly.
  • If an installed earthquake resistance kit prevents you from accessing this FRU, refer to MAP1600.

Both ends of the PCIe cable use the same connector.

Remove the PCIe cable

Procedure

  1. If you located the PCIe cable to be replaced, go to step 4.

    If you did not locate the PCIe cable to be replaced, go to the next step.

  2. To locate this FRU, take one of the following actions and then return here and continue to replace the FRU:
    • If this FRU has a FRU identify indicator, use the FRU identify indicator, which is listed in MAP1240 Locating FRUs by using identify indicators. If not, use the location code.
      Note: There might be cases where the FRU failure or fencing conditions prevent the FRU LED indicator from being lit even if the FRU has power.
    • Use the location code, which is listed in MAP1245 Finding FRUs by using location codes.
    • If there is no FRU identify indicator or location code, you were sent here by an isolation MAP or symbolic FRU procedure. Use the information in that procedure and the figures in this procedure to locate the proper part to exchange.
  3. Most, but not all, FRUs have identify indicators. Use the flashing amber or solid blue FRU identify indicators to ensure that you are working on the correct enclosure or FRU.
  4. Remove the PCIe cable. Each PCIe cable goes between a CEC enclosure and an I/O enclosure (2U).
    Gently pull on the release handle and then unplug the cable.
    Either end of the cable can be unplugged first. See Table 1, Table 2, Figure 1, Figure 2, Figure 3, Figure 4, and Figure 5.
    Note: The PCIe cable can be "hot-plugged." The FRU the cable connects to, at both ends, can stay powered on. However, the FRU on one end of the cable is quiesced and placed in service mode by the Licensed Internal Code before you are sent to this procedure.
    Table 1. PCIe cable connections, I/O enclosure #1, slots C1/C8 (rear) (Model 983)
    From CEC (upper) To I/O Enclosure (2U)
    P1-C7-T1 P1-C1-T5
    P1-C7-T4 P1-C8-T5
    From CEC (lower) To I/O Enclosure (2U)
    P1-C7-T1 P1-C1-T6
    P1-C7-T4 P1-C8-T6
    Figure 1. PCIe cable connections, I/O enclosure #1, slots C1/C8 (rear) (Model 983)
    Model 983 (rear view)
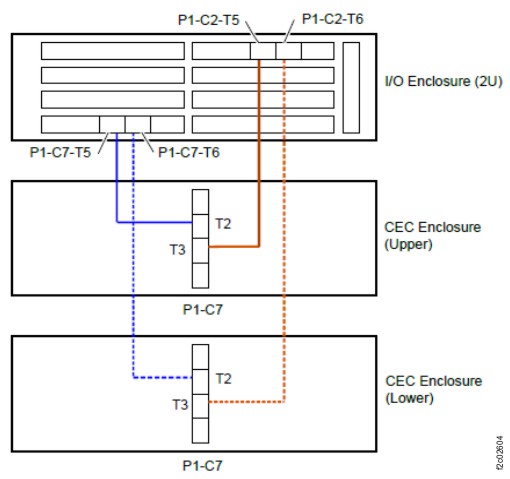
    Table 2. PCIe cable connections, I/O enclosure #1, slots C2/C7 (rear) (Model 983)
    From CEC (upper) To I/O Enclosure (2U)
    P1-C7-T2 P1-C7-T5
    P1-C7-T3 P1-C2-T5
    From CEC (lower) To I/O Enclosure (2U)
    P1-C7-T2 P1-C7-T6
    P1-C7-T3 P1-C2-T6
    Figure 2. PCIe cable connections, I/O enclosure #1, slots C2/C7 (rear) (Model 983)
    PCIe cables, second set, Model 983
    Figure 3. CEC enclosure location codes (rear view) (Models 983)
    CEC enclosure location codes (rear view)
    Figure 4. I/O enclosure (2U) locations (rear) (model 983)
    I/O enclosure (2U) locations code (rear) (model 983) with logical IG3, 1G4
    Figure 5. CEC enclosure and I/O enclosure locations in rack (rear) (model 983)
    Storage controller module (enclosures shown)

Install the PCIe cable

Procedure

  1. Ensure that the proper location code labels are applied to each end of the new cable. If the cable is not labeled, complete steps 1.a, 1.b, and 1.c.
    1. Observe the location code label on each end of the cable that has been removed.
    2. Select the proper location code labels from the label sheet shipped with the new cable.
    3. Apply the labels to the new cable.
      Note: The cable is not directional, and has the same connectors on each end.
  2. Install the PCIe cable.
  3. Exit this service information center parts exchange procedure and return to the procedure that sent you here.