Exchange the Ethernet switch to CEC enclosure Ethernet cable

Before you begin

Icon for electrostatic discharge wrist strapUse approved ESD procedures to prevent damage.

Attention:
  • This procedure is not a stand-alone procedure. Customer disruption and damage to the hardware might occur when microcode and power boundaries are not in the proper conditions for this service action.
  • If a serviceable event FRU repair directed you to this procedure, the microcode and power boundaries are already set.
  • If a serviceable event FRU repair did not direct you to this procedure, see MAP1230 Replace a FRU without using a serviceable event.
Notes:
  • All the cables and FRUs to be removed must be uniquely identified so they can be reinstalled correctly.
  • If an installed earthquake resistance kit prevents you from accessing this FRU, refer to MAP1600.

Remove the Ethernet switch to CEC enclosure Ethernet cable

Procedure

  1. At the rear of the rack, locate the Ethernet switch to CEC enclosure Ethernet cable.
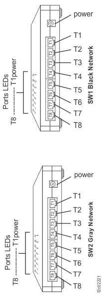
    1. There are four black Ethernet cables between the upper (SW1) Ethernet switch and the upper and lower CEC enclosures. See Table 1 and Figure 1.
      Table 1. Ethernet cables, SW1 (upper) (black network)
      From SW1 Ethernet port To CEC Ethernet port (label)1 CEC Model
      SW1-T3 XC1-P1-T1 (HMC1) upper 980
      SW1-T3 XC1-P1-T3 (HMC1) upper 981
      SW1-T3 XC1-P1-C5-T4 upper 982
      SW1-T4 XC2-P1-T1 (HMC1) lower 980
      SW1-T4 XC2-P1-T3 (HMC1) lower 981
      SW1-T4 XC2-P1-C5-T4 lower 982
      SW1-T5 XC1-P1-C10-T1 upper 980, 981
      SW1-T5 XC1-P1-C11-T1 upper 982
      SW1-T6 XC2-P1-C10-T1 lower 980, 981
      SW1-T6 XC2-P1-C11-T1 lower 982
      Note 1: CEC ports P1-T1, T2, T3, T4 are labeled "HMC1" or "HMC2". They are connected to the Ethernet switch, not directly to an HMC.
    2. There are four gray Ethernet cables between the lower (SW2) Ethernet switch and the upper and lower CEC enclosures. See Table 2 and Figure 1.
      Table 2. Ethernet cables, SW2 (lower) (gray network)
      From SW2 Ethernet port To CEC Ethernet port (label)1 CEC Model
      SW2-T3 XC1-P1-T2 (HMC2) upper 980
      SW2-T3 XC1-P1-T4 (HMC2) upper 981
      SW2-T3 XC1-P1-C5-T5 upper 982
      SW2-T4 XC2-P1-T2 (HMC2) lower 980
      SW2-T4 XC2-P1-T4 (HMC2) lower 981
      SW2-T4 XC2-P1-C5-T5 lower 982
      SW2-T5 XC1-P1-C10-T2 upper 980, 981
      SW2-T5 XC1-P1-C11-T2 upper 982
      SW2-T6 XC2-P1-C10-T2 lower 980, 981
      SW2-T6 XC2-P1-C11-T2 lower 982
      Note 1: CEC ports P1-T1, T2, T3, T4 are labeled "HMC1" or "HMC2". They are connected to the Ethernet switch, not directly to an HMC.
      Figure 1. 8-port Ethernet switch port locations, Model 98x
      Note: Upper switch SW1 is "black" network; lower switch SW2 is "gray" network.
      8-port Ethernet switch port locations, Model 98x
      Figure 2. CEC enclosure location codes (rear view) (Model 981)
      CEC enclosure location codes (rear view)
      Figure 3. CEC enclosure location codes (rear view) (Model 980)
      CEC enclosure location codes (rear view)
      Figure 4. CEC enclosure location codes (rear view) (Model 982)
  2. Disconnect the Ethernet cable at both ends.
  3. Remove the cable retention hardware as needed and remove the cable from the rack.

Install the Ethernet switch to CEC enclosure Ethernet cable

Procedure

  1. Inspect the new cable and find the end that has the location label for the SW-x Ty connector. That goes to the Ethernet switch.
  2. Route the cable and connect both ends.
  3. Reinstall the cable retention hardware.
  4. To verify the black and gray private networks, refer to MAP7001 Using the network topology tool.
  5. Exit this service information center parts exchange procedure and return to the procedure that sent you here.